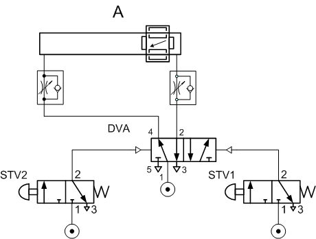
NASTAVLJANJE HITROSTI CILINDRA
Za nastavljanje hitrosti cilindra uporabljamo povratno dušilni ventil – dušilko. Vgrajujemo ga v povratni vod cilindra za gib v katerem nastavljamo hitrost – dušimo iztekajoči zrak.
NASTAVLJANJE HITROSTI CILINDRA
Za nastavljanje hitrosti cilindra uporabljamo povratno dušilni ventil – dušilko. Vgrajujemo ga v povratni vod cilindra za gib v katerem nastavljamo hitrost – dušimo iztekajoči zrak.