NAČRTOVANJE PNEVMATSKIH VEZIJ S KORAČNO METODO

Koračna metoda ustreza vsem zahtevam glede na varnost in želeno delovanje. Vsak korak je v principu ločen od predhodnega, naslednji pa se ne more izvršiti, dokler ta ni zaključen. Pri tem ni važno, če nastopajo zaporni signali, saj je aktiven samo en korak.

 

Prednosti te metode so, da enostavno rešujemo tudi ponavljajoče se gibe znotraj enega cikla, da kratki gibi ne povzročajo težav in da je projektiranje enostavno.

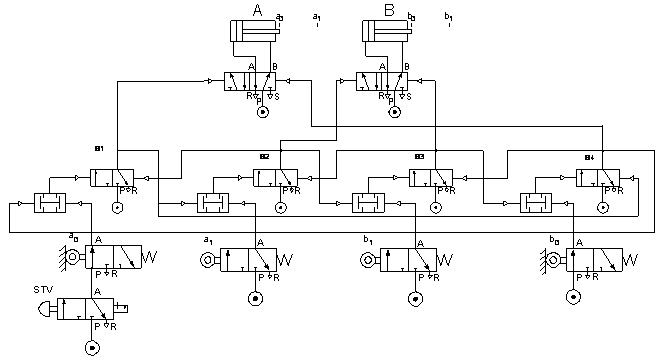
Edina pomanjkljivost je visoka cena, saj potrebujemo več elementov. Prvo je skušalo poceniti vezje podjetje FESTO, izdelali so zlog sequenz modul.

Tako lahko izdelamo vezje:

- s standardnimi elementi

- z integriranimi elementi

 

 

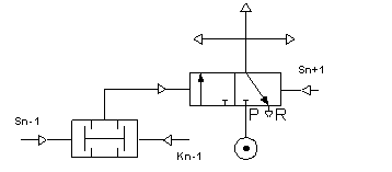
Pravila za projektiranje:

- delovni cikel razdelimo na korake – pri popolni koračni metodi je vsak delovni gib cilindra svoj korak

 

 

- vsak korak je sestavljen iz koračnega modula: iz IN ventila in 3/2 bistabilnega pnevmatskega

 

 

- pogoj, da se izvrši korak je da je bil predhodni aktiven (Sn-1) in da se je predhodni korak zaključil (Kn-1)

- aktivni korak mora opraviti tri naloge.

    To je:    

    aktivirati krmilnik pripadajočega cilindra za realizacijo giba

    zapreti predhodni korak

    dati pogoj naslednjemu