PREVERJANJE -četrti del

SCORM Kviz
1. Za krmiljenje enosmernih cilindrov uporabljamo:

samo 3/2 bistabilne delovne ventile
3/2 bistabilne ali monostabilne delovne ventile
5/2 elektropnevmatske delovne ventile
5/2 bistabilne delovne ventile

2. Za krmiljenje dvosmernih cilindrov uporabljamo:

3/2 bistabilne delovne ventile
3/2 bistabilne ali monostabilne delovne ventile
5/2 bistabilne elektropnevmatske delovne ventile
5/2 monostabilne ali bistabilne delovne ventile

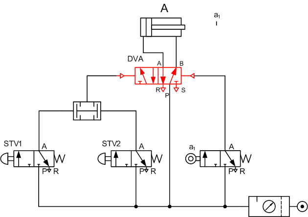
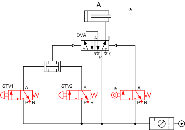
3. Z rdečo barvo je v pnevmatski shemi označen:

 

 


dvosmerni cilinder
krmilni ventil
startna ročna ventila
delovni ventil

4. Z rdečo barvo so v pnevmatski shemi označeni:

 

 


dvosmerni cilinder
krmilni ventili
pripravna enota
delovni ventil

5. Iz pnevmatske sheme razberi delovanje pnevmatskega vezja:

 

 


ko pritisnemo na startni ventil dobimo delovni gib cilindra, čim ga spustimo se cilinder vrne nazaj
ko pritisnemo na startni ventil dobimo povratni gib cilindra
ko pritisnemo na startni ventil dobimo delovni gib cilindra, ko ga pritisnemo drugič dobimo povratni gib
pnevmatska shema ne bo delovala, ker nimamo napajanja

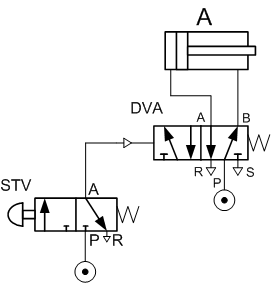
6. Iz pnevmatske sheme razberi delovanje pnevmatskega vezja:

 

 

 


ko pritisnemo na startni ventil dobimo delovni gib cilindra, čim ga spustimo se cilinder vrne nazaj
ko pritisnemo na prvi startni ventil dobimo delovni gib cilindra, ko pritisnemo na drugi pa povratni gib
ko pritisnemo na startni ventil dobimo delovni gib cilindra, ko doseže svojo končno lego se po določenem času sam vrne
ko pritisnemo na startni ventil dobimo delovni gib cilindra, ko doseže svojo končno lego se takoj vrne

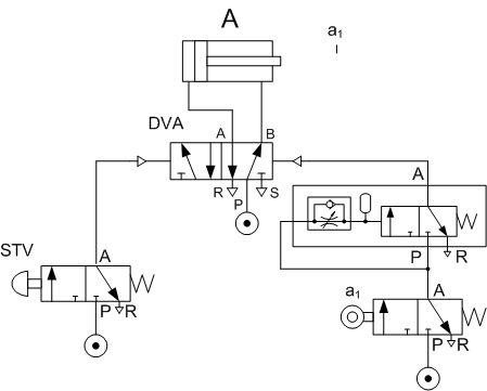
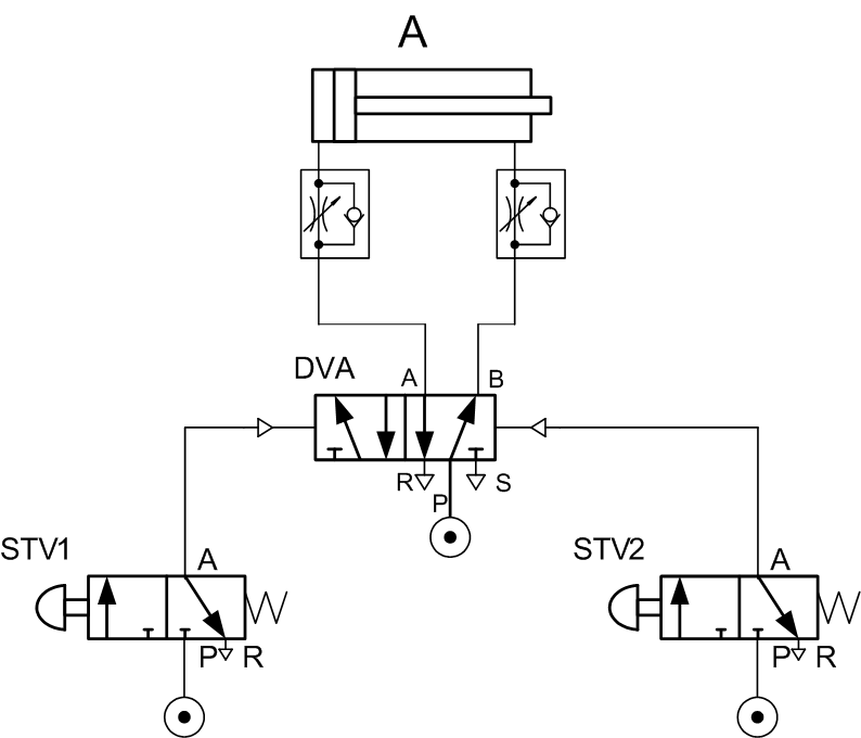
7. Iz pnevmatske sheme razberi delovanje pnevmatskega vezja:

 


cilindru lahko reguliramo hitrost naprej
cilindru lahko reguliramo hitrost nazaj
cilindru lahko reguliramo hitrost naprej in nazaj
cilindru je možno regulirati silo

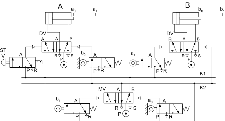
8. Iz pnevmatske sheme razberi delovni cikel pnevmatskega vezja:

 


A+, A-, B+, B-
A-, B+, B-, A+
B+, A+, A-, B-
A+, B+, B-, A-