KRT e-gradiva
PNEVMATIKA
ZRAK
PREDNOSTI in SLABOSTI
PRIDOBIVANJE STISNJENEGA ZRAKA
PNEVMATIČNI DELOVNI VALJI
PNEVMATIČNI KRMILNI ELEMENTI
UVOD V PROJEKTIRANJE PNEVMATIČNIH VEZIJ
OSNOVNI PROJEKT PNEVMATSKEGA VEZJA
OSNOVNA PNEVMATSKA VEZJA
POSREDNO KRMILJENJE DELOVNEGA VALJA Z MONOSTABILNIM VENTILOM
POSREDNO KRMILJENJE DELOVNEGA VALJA Z BISTABILNIM VENTILOM
POVRATNI GIB ODVISEN OD POLOŽAJA
POVRATNI GIB ODVISEN OD POLOŽAJA IN ČASA
NASTAVLJANJE HITROSTI CILINDRA
HITRI GIB CILINDRA
AVTOMATSKI CIKEL DELOVNEGA VALJA
AVTOMATSKI CIKEL DVEH CILINDROV
NAČRTOVANJE PNEVMATSKIH VEZIJ S KASKADNO METODO
NAČRTOVANJE PNEVMATSKIH VEZIJ S KORAČNO METODO
PREVERJANJE -prvi del
PREVERJANJE -drugi del
PREVERJANJE -tretji del
PREVERJANJE -četrti del
ELEKTROPNEVMATIKA
VIDEO-Pnevmatika
VIDEO-Elektro pnevmatika
VIDEO-Industrija
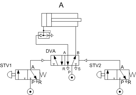
HITRI GIB CILINDRA
Za hitri gib cilindra uporabljamo hitro odzračevalni ventil. Vgrajujemo ga v povratni vod cilindra. Najboljši rezultat dosežemo, če ga prigradimo na cilinder.
« Predhodni
|
Naprej »