Postopek
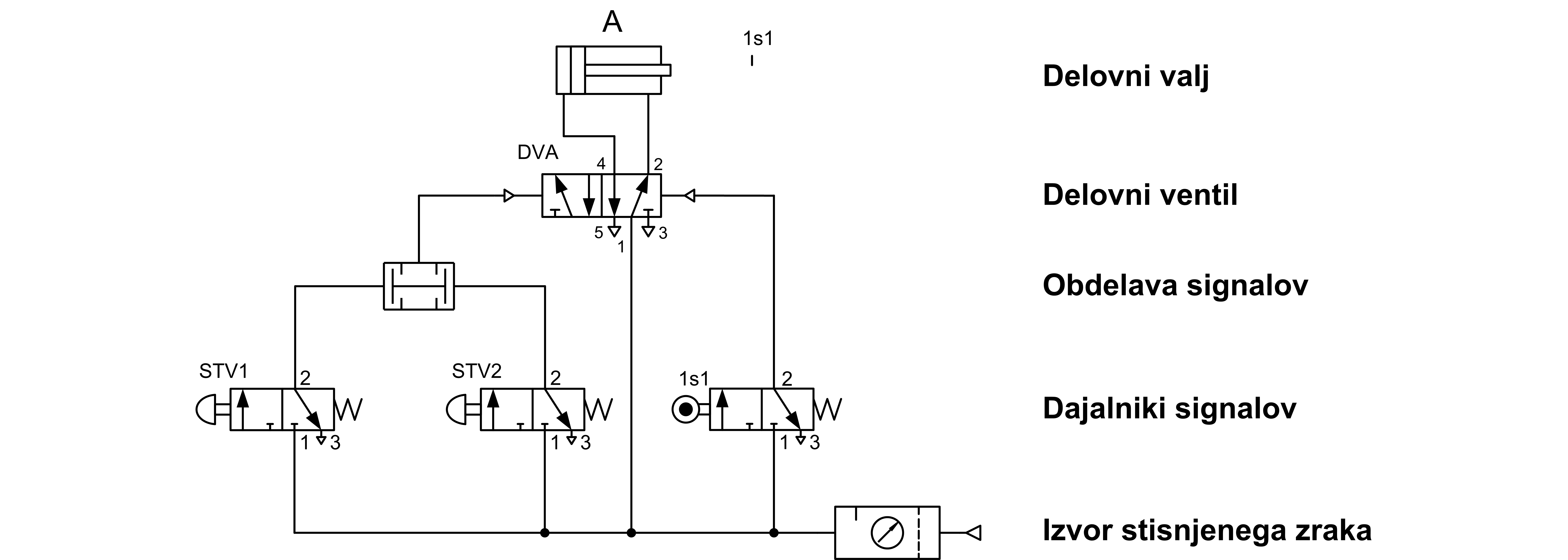
Pnevmatična vezja rišemo nivojsko

Krmiljenje enosmernih delovnih valjev
Za krmiljenje enosmernih delovnih veljev uporabljamo 3/2 monostabilne ali bistabilne delovne ventile.
Krmiljenje dvosmernih delovnih valjev
Za krmiljenje dvosmernih delovnih veljev uporabljamo 5/2 monostabilne ali bistabilne delovne ventile