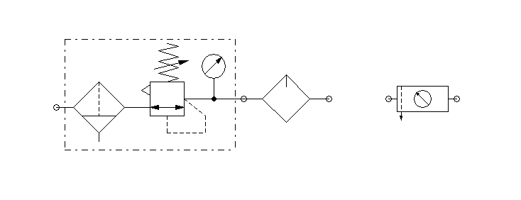
ENOTA ZA PRIPRAVO ZRAKA

Pred vsakim delovnim mestom je enota za pripravo zraka.

Sestavljajo jo naslednji elementi:

        

- filter

- regulator tlaka

- naoljevalnik

 

Naloga enote je komprimiran zrak očistiti, naoljiti in ga pod določenim tlakom spustiti na delovno mesto.