Priključitev senzorja

Priključitev senzorja glede na tip izhoda

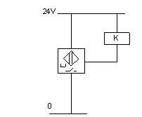
PNP – izhod v obliki poz. toka, porabnik priključen na –

 

NPN – izhod v obliki 0, porabnika priključimo na +


Po delovanju so lahko NO (Normal Open - kot delovni kontakt) ali pa NC (Normal Close - mirovni kontakt)