PREVERJANJE -peti del

SCORM Kviz

1. Delovni ventili so pri elektropnevmatiki:

 


ročno aktivirani
električno aktivirani, največkrat z 380V tokom
električno aktivirani, največkrat z 24V tokom
mehansko aktivirani

2. Simbol na sliki nam predstavlja:

 


tipko z delovnim kontaktom
brezdotični senzor
električno stikalo
tipko z delovnim in mirovnim kontaktom

3. Simbol na sliki nam predstavlja:

 

 


brezdotični magnetni senzor
brezdotični induktivni senzor
brezdotični optični senzor
brezdotični kapacitivni senzor

4. Glede na električno zvezo je senzor:

 


PNP tipa
NPN tipa

5. Simbol na sliki nam predstavlja:

 

 


števec
časovni rele z zakasnitvijo izklopa
časovni rele z zakasnitvijo vklopa
rele z več delovnimi kontakti

6. Simbol na sliki pomeni:

 

 


električno končno stikalo
časovni rele z zakasnitvijo izklopa
elektromagnetno tuljavo
rele z več delovnimi kontakti

7. Iz elektropnevmatske sheme razberi delovanje pnevmatskega vezja:

 

 


ko pritisnemo na tipko S1 dobimo delovni gib cilindra, čim jo spustimo se cilinder vrne nazaj
ko pritisnemo na tipko S1 dobimo povratni gib cilindra
ko pritisnemo na tipko S1 dobimo delovni gib cilindra, ko jo pritisnemo drugič dobimo povratni gib
pnevmatska shema ne bo delovala, ker nimamo napajanja

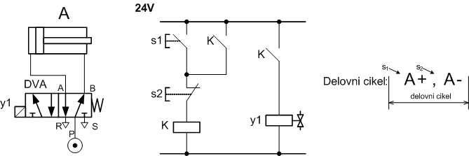
8. Iz elektropnevmatske sheme razberi delovanje pnevmatskega vezja:

 

 


ko pritisnemo na tipko S1 dobimo delovni gib cilindra, čim jo spustimo se cilinder vrne nazaj
ko pritisnemo na tipko S1 dobimo povratni gib cilindra
ko pritisnemo na tipko S1 dobimo delovni gib cilindra, povratni se izvrši sam po določenem času
ko pritisnemo na tipko S1 dobimo delovni gib cilindra, ko pritisnemo na tipko S2 pa povratni

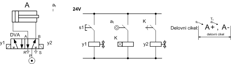
9. Iz elektropnevmatske sheme razberi delovanje pnevmatskega vezja:

 

 


ko pritisnemo na tipko S1 dobimo delovni gib cilindra, čim ga spustimo se cilinder vrne nazaj
ko pritisnemo na tipko S1 dobimo delovni gib cilindra, ko pritisnemo na drugo pa povratni gib
ko pritisnemo na tipko S1 dobimo delovni gib cilindra, ko doseže svojo končno lego se po določenem času sam vrne
ko pritisnemo na tipko S1 dobimo delovni gib cilindra, ko doseže svojo končno lego se takoj vrne

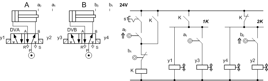
10. Narisana je elektropnevmatska shema za delovni cikel A+, B+, B-, A-.

 

 


koračni metodi
kaskadni metodi
intuitivni metodi
pnevmatski metodi