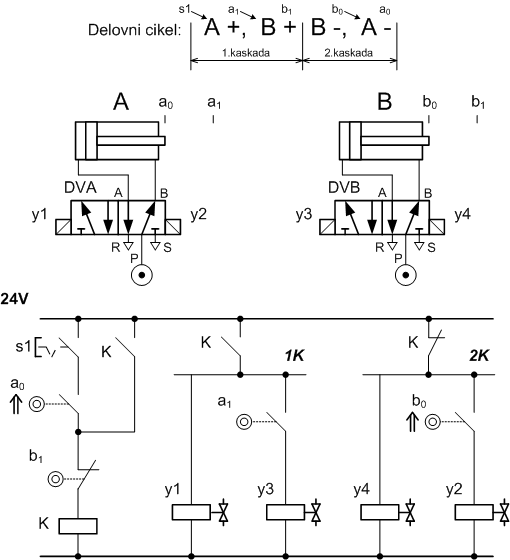
KASKADNA METODA V ELEKTROPNEVMATIKI

Uporabo kaskadne metode v elektropnevmatiki narekujejo enaki razlogi kot v pnevmatiki. Pravila za razdelitev delovnih gibov v skupine so ista kot v pnevmatiki, pomeni, da ne more biti povratnega giba znotraj ene skupine. Če so skupini dve, funkcijo menjalnega ventila opravlja spominski člen z dominacijo izklopa, ki vezje razdeli na skupine. Prva skupina je na delovnem kontaktu releja, druga pa na mirovnem.

 

Primer vezja z dvema skupinama: